
發布時間:2021-09-14 13:45:51來源:雷科電力網址:m.955150.com
Reke2571數字接地電阻測試儀
優良的接地系統是電力、電信、電氣設備安全可靠運行的重要保證。接地電阻大小是接地系統品質優劣的評判依據。精確、快速、簡捷、可靠的接地電阻測量方法,已成為防雷接地領域內技術進步的迫切需要。該儀器適用于電信、電力、氣象、機房、電力配電線路、鐵塔輸電線路、加油站、工廠接地網、避雷針等各種裝置的接地電阻以及測量低電阻的導體阻值,本表還可測量土壤電阻率及地電壓。
工作原理為由機內的DC/AC變換器將直流變為交流的低頻恒流,經過輔助接地極C和被測物E組成回路,被測物上產生交流壓降,經輔助接地極P送入交流放大器放大, 再經過檢波送入表頭顯示。借助倍率開關可得到三個不同的量限: 0-2Ω、0-20Ω、0-200Ω、0-2000Ω。
Reke2571數字接地電阻測試儀測量注意事項
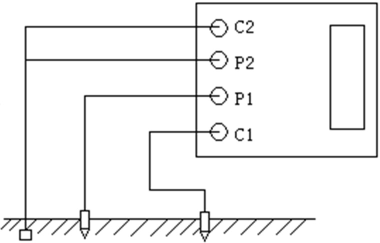
1、測量保護接地電阻時,一定要斷開電氣設備與電源連接點。在測量小于1Ω的接地電阻時,應分別用專用導線連在接地體上,C2在外側P2在內側(如下圖)所示:

2、測量接地電阻時較好反復在不同的方向測量3-4次,取其平均值。
3、測量大型接地網接地電阻時,不能按一般接線方式測量,可參照電流表、電壓表測量法中的規定選定埋插點。
4、若測試回路不通或超量程時,表頭顯示“1”,說明溢出,應檢查測試回路是否連接好或是否超量程。
5、本表當電池電壓低于9V時,表頭顯示欠壓符號“←”,表示電池電壓不足,此時應插上電源線由交流供電或打開儀器后蓋板更換干電池。
6、如果使用可充電池時,可直接插上電源線利用本機充電,充電時間一般不低于8小時。