
2021年10月13日星期三,雷科電力接到武漢中百倉儲金銀湖店相關負責人的邀請,需要協助幫忙排查一條約200米左右的10kV故障電纜。
2021-10-19
高電壓電纜檢測儀的使用,有效地提高了電纜故障檢測效率,得到了市場的認可。但是現在市場上有很多種電纜故障檢測設備,不同廠家的設備功能配置完全不同。所以,許多用戶在選擇高壓電纜檢測設備時對設備還不夠專業,只能聽從經銷商或廠家的建議和指導,在采購中經常會出現以下幾種錯誤。
2021-10-18
2021年9月下旬,雷科電力為吉林振發仲安光伏發電站提供培訓,吉林振發仲安光伏發電站在凱迪正大采購一批電纜故障測試儀設備,此次采購設備的儀器較多,為了讓客戶能夠快速熟悉設備的運用,凱迪正大派遣技術總工王工為客戶提供技術支持工作。
2021-10-18
1.裝置內置超低頻復合信號源、功率信號源、高壓信號源多種電源模塊,裝置實現多種工作方式;2.裝置配有多種接收系統,互不干擾,可以同時測試也可以分開測試3.施加高壓信號使故障重現,電流信號穩定,易于檢測;
2021-09-28
400kV-30kJ型全自動雷電沖擊電壓試驗系統成套裝置本套設備滿足現行國際標準(IEC)、國家標準GB及有關電力行業標準DL
2021-05-07
人工巡線法:有經驗人員首先分析線路的基本情況。線路環境(有無樹)、歷史運行情況(原先經常接地),判斷可能接地點。分段選線法:如果線路上有分支開關,為盡快查找故障點,可用分斷分支開關、分段開關辦法縮小接地故障范圍。由于絕緣子擊穿形成隱形故障,查找起來比較困難,可通過測量絕緣電阻辦法
2021-01-19
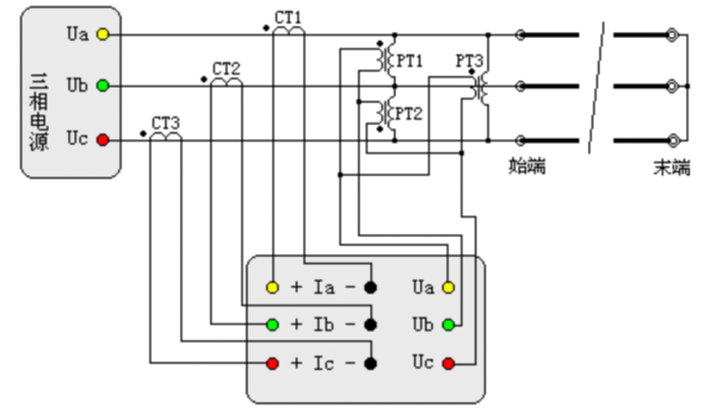
配電網網絡基站定相核相儀,簡稱核相儀針對高壓線路1kV~550kV電壓采用非接觸式核相。整套系統及設備由全球衛星定位系統、基站群、服務器群、物聯網通訊模塊、數據庫、RF無線通訊模塊、手持接收器、探測器(采集終端)、天線、物聯卡、伸縮絕緣桿等組成。
2021-01-18
生產供配電系統,電力變壓器制造廠、工礦企業、科研部門等如何選型Reke無局放試驗裝置,對各種高壓電氣設備、電器元件、絕緣材料進行工頻或直流高壓下的絕緣強度試驗,是高壓
2020-12-07
1、什么叫檢修安全用具?它包括哪幾種?檢修安全用具是指檢修時應配置的保護人身安全和防止誤入帶電間隔以及防止誤操作的安全用具。檢修安全用具除基本絕緣安全
2020-12-07
一套符合出廠要求的雷電沖擊電壓試驗裝置應滿足現行國際標準(IEC)、國家標準GB及有關電力行業標準DL:JB/T9641-1999《試驗變壓器》GB1094-2003《電力變壓器》
2020-12-04
服務內容:電纜故障檢測、變電站檢測專業技術服務,自主研發電纜故障測試儀、配電網故障檢測儀、電纜故障探測儀、線路故障定位儀的生產廠家,歡迎廣大用戶來電咨詢:15827360014
2020-12-04
預防事故發生,運行中的電纜應定期進行預防性耐壓試驗。電纜直流耐壓試驗標準可參照有關電纜的運行規程,直流耐壓試驗周期原則上是每年進行一次,新敷設的電纜,投入運行后三個月應進行一次試驗
2020-12-03
為了減少事故,預防事故發生,運行中的電纜應定期進行預防性耐壓試驗。耐壓試驗一般采用直流電壓,因為直流耐壓試驗沒有容性電流,使試驗設備容量小,另外直流耐壓試驗不易
2020-12-02
Reke6020智能200A開關接觸電阻測試儀操作指南:1接好儀器電源線、保護接地端。2測量回路將專用粗電流測試線按照顏色紅對紅,綠對綠接到對應的I+、I-接線柱扭緊,專
2020-12-02
瓦斯保護是變壓器內部故障的主要保護元件,對變壓器匝間和層間短路、鐵芯故障、套管內部故障、繞組內部斷線及絕緣劣化和油面下降等故障均能靈敏動作。當油浸式變壓器的
2020-12-01
瓦斯繼電器校驗平臺是一種全新設計的氣體繼電器的校驗和檢測設備。該校驗平臺模擬變壓器內部故障時氣體繼電器動作機理,滿足氣體繼電器重瓦斯,輕瓦斯,密封性,油流失功能校驗
2020-12-01
新建高壓線路在投入運行之前,除了檢查線路的絕緣情況、核對相位外,還應測量各種工頻參數值,作為計算系統短路電流、繼電保護整定、推算潮流分布和選擇合理運行方式等工作的實際依據。主要包括:正序阻抗、正序電容、零序阻抗、零序電容、相間阻抗、相間電容、線地阻抗、線地電容、互感阻抗。
2020-11-28